Módulo de caracteres OLED de 2,26"
Módulo de caracteres OLED de 2,26"
Modelo:OE1602A3
Resolución: 16*2
Fuente de alimentación: 5V
Interfaz: 6800
IC: SH1111
Duty: 1/16 Duty
Opción: 8080/SPI
Fuente de alimentación: 5V
Interfaz: 6800
IC: SH1111
Duty: 1/16 Duty
Opción: 8080/SPI
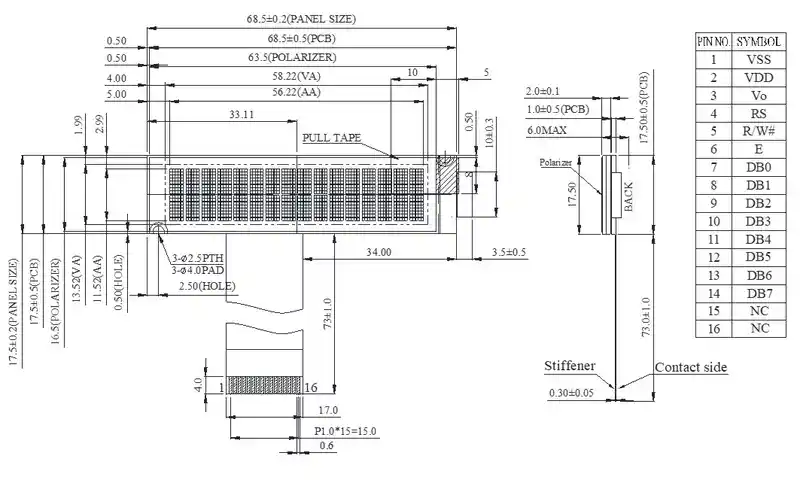
Datos mecánicos
La pantalla OLED es autoiluminada y se caracteriza por un alto brillo, buena relación de contraste, bajo consumo de energía y un peso delgado y liviano. La pantalla OLED es buena para aplicar en electrodomésticos, electrodomésticos inteligentes, instrumentos, tableros de automóviles, dispositivos médicos y sistemas de IoT... etc. Fácil de actualizar mecánicamente su producto del módulo LCD STN al módulo OLED. El modelo # OE1602 puede brindarle un rendimiento brillante que el módulo LCD STN.
| Artículo | Dimensión (m*m) |
| Dimensión del módulo | 68,5 x 17,5 |
| Ver área | 58,22 x 13,52 |
| Área activa | 56,22 x 11,52 |
| Tamaño de píxel | 0,6 x 0,7 |
Dibujo
